芯科技,心服务
全国咨询热线:010-82433257
HXT22000B35 RS485芯片

HXT22000B35 RS-485芯片

HXT22000B35是一款半双工的RS-485收发器,该产品使用限摆率驱动器 ,能显著减小EMI和由于不恰当的终端匹配电缆所引起的反射,并可实现高达500Kbps的无差错数据传输
产品介绍

产品简介

HXT22000B35是一款半双工的RS-485收发器,该产品使用限摆率驱动器 ,能显著减小EMI和由于不恰当的终端匹配电缆所引起的反射,并可实现高达500Kbps的无差错数据传输。该产品内置失效保护电路,保证接收器输入端在开路或短路时,接收器的输出端处于逻辑高电平状态。接收器输入阻抗为1/8单位负载,允许多达256个收发器挂接在总线上,实现半双工通信。

关键特性

● 工作电压:支持3.3V和5.0V供电

● 最大传输速率:500kbps

● 总线可挂接多达256个收发器

● A/B引脚具有

±15kV HBM,ESDA-JEDEC JS-001-2017

±15kV 接触放电,IEC 61000-4-2

● 封装形式:SOP8

应用领域

● 仪器仪表

● 电力终端

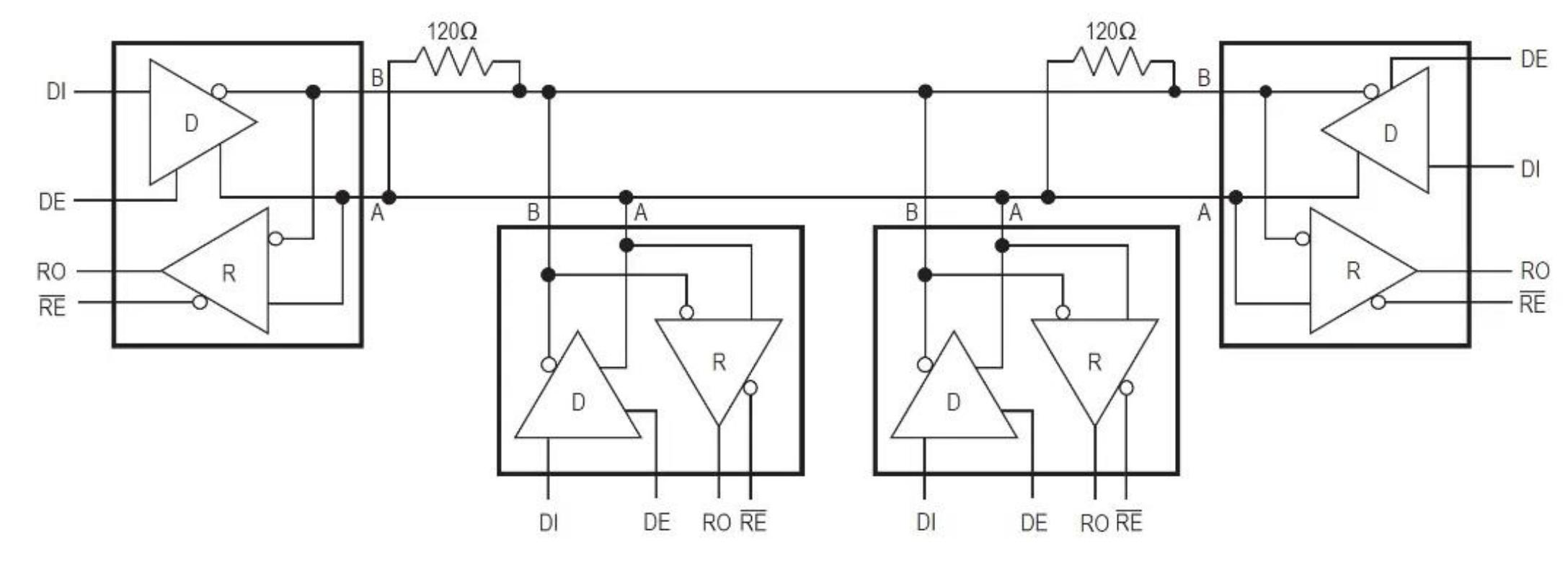
应用框图

HXT22000B35

资料下载

HXT22000B35 RS-485 产品手册



在线客服
联系方式

热线电话

18211123301

上班时间

周一到周五

公司电话

010-82433257

二维码
线
http://w1011.ttkefu.com/k/linkurl?t=6J9EFD0
网站地图