芯科技,心服务
全国咨询热线:010-82433257
当前位置:首页 > 产品中心 > 射频芯片 > 锁相环 >
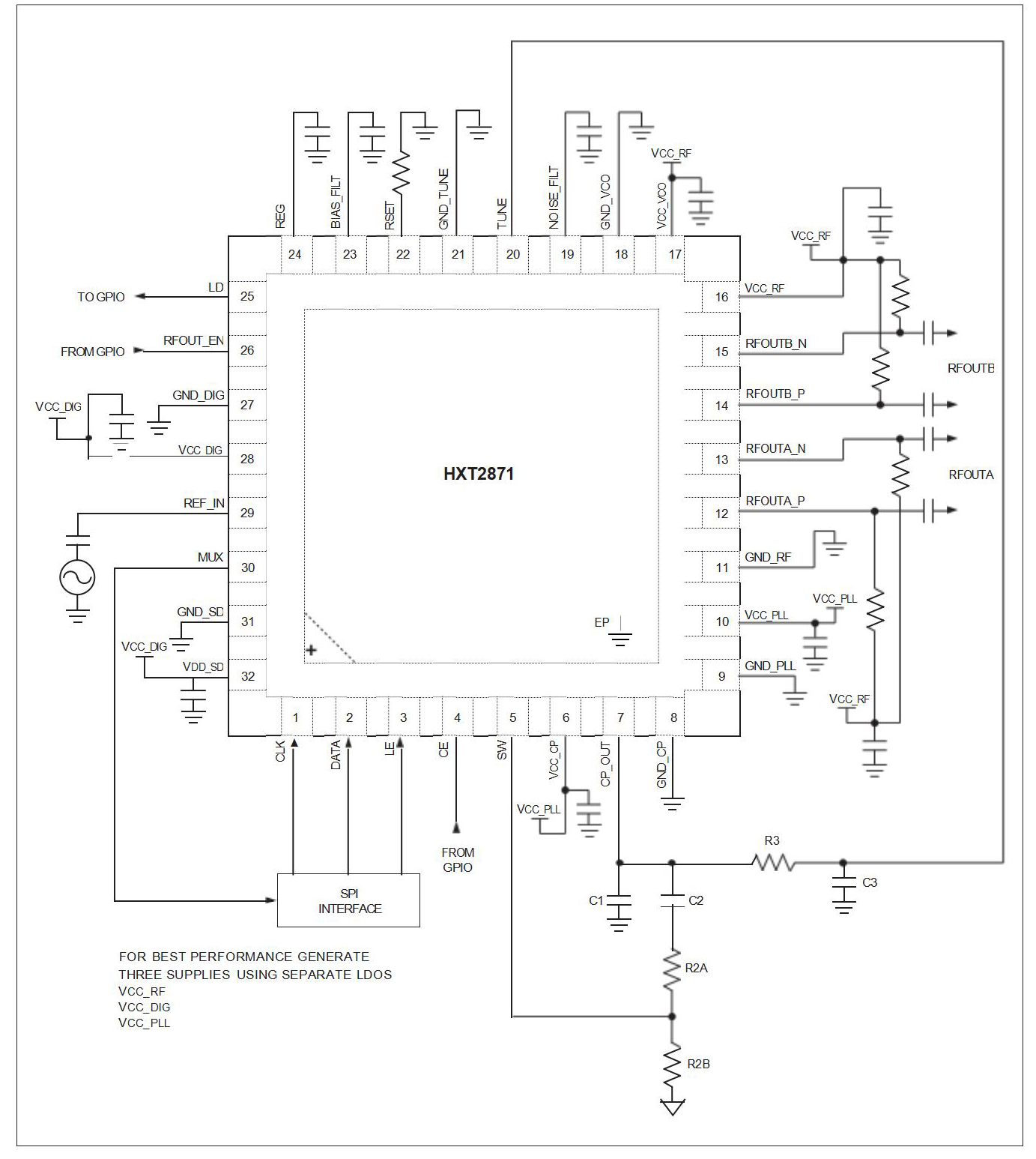
HXT2871锁相环(PLL)

HXT2871 国产锁相环(PLL)

HXT2871一款纯国产的低噪声、宽频率范围、分数N锁相环(PLL),可提供国产化证明,PIN to PIN可替代MAX2871。其特点是具有3000 MHz~6000MHz基频的集成压控振荡器(VCO)和集成VCO输出分频器(除以 1/2/4/8/16/32/64),它们一起可以产生50MHz到6000MHz的频率。

产品介绍

产品简介

HXT2871 是一个低噪声,宽频率范围,分数 N PLL(Phase Locked Loop,锁相环),具有集成的 VCO(Voltage Controlled Oscillator,压控振荡器)(基本频率为 3000MHz ~ 6000MHz)和集成的VCO输出分频器(除以 1/2/4/8/16/32/64),可以生成50MHz至6000MHz的频率。集成的PD(PhaseDetector,相位检测器)和Δ-Σ调制器能够在高达250MHz的频率下工作,允许更宽的环路带宽,并具有出色的频谱性能。

HXT2871 在所有频率上都具有行业领先的相位噪声和杂散性能,使其能够最大限度地减少阻塞效应,并提高接收器灵敏度和发射器频谱纯度。附加功能包括 VCO 频率自动校准、锁定检测、精确频率模式和射频输出功率控制。

产品特性

● RF 频率:50MHz~6000MHz

● 最大相位检测器速率:250MHz

● 超低相位噪声:4GHz 带内-110dBc/Hz

● RMS 抖动<180 fs

● 24位步长,分辨率 3Hz

● 精确频率模式

● 内置数字校准粗调

● 相位同步和调节

● 32引脚引线 5mm×5mm SMT封装

产品应用

● 无线基础设施

● 点对点/点对多点微波链路

● 卫星/甚小孔径终端

● 测试设备/仪器

● 时钟生成

资料下载

HXT2871 国产锁相环(PLL)产品手册

888集团国产锁相环(PLL)芯片推荐

型号

射频输入频率
(MHz)

鉴相频率
(MHz)

功耗

闭环相位噪声
(fout=4GHz)

相位噪声
(fout=4GHz)

Vs
(V)

Is
(mA)

工作温度
(℃)

封装
(mm)

兼容型号

HXT833
点击了解详情

50~6500

250

600mW

-131dBc/Hz@1MHz

-74 dBc/Hz@10KHz
-101 dBc/Hz@100KHz
-132 dBc/Hz@1MHz

3.3

180

-40~85

QFN40
6*6

PIN to PIN可替代HMC833

HXT4355
点击了解详情

50~6000

200

600mW

-127dBc/Hz@1MHz

-74 dBc/Hz@10kHz
-101 dBc/Hz@100kHz
-130 dBc/Hz@1MHz

3.3

180

-40~85

32-Lead LFCSP
5×5

PIN to PIN可替代ADF4355

HXT2871
点击了解详情

50~6000

200

600mW

-125dBc/Hz@1MHz

-74 dBc/Hz@10kHz
-101 dBc/Hz@100kHz
-130 dBc/Hz@1MHz

3.3

180

-40~85

32 TQFN-EP

PIN to PIN可替代MAX2871


在线客服
联系方式

热线电话

18211123301

上班时间

周一到周五

公司电话

010-82433257

二维码
线
http://w1011.ttkefu.com/k/linkurl?t=6J9EFD0
网站地图