芯科技,心服务
全国咨询热线:010-82433257
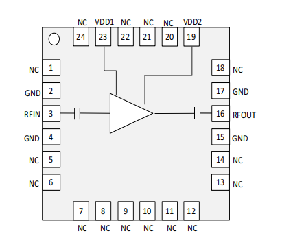
XL1413SP4-功能框图

XL1413SP4 低噪声宽带放大器

XL1413SP4是一款7GHz~14GHz低噪声宽带放大器,采用GaAs工艺制造。该放大器具有自偏压功能,输入输出端50Ω匹配负载。该款放大器可以应用到微波射频接收前端。

产品介绍

产品概述

XL1413SP4是一款7GHz~14GHz低噪声宽带放大器,采用GaAs工艺制造。该放大器具有自偏压功能,输入输出端50Ω匹配负载。该款放大器可以应用到微波射频接收前端。

性能特点

● 宽带宽:7GHz~14GHz

● 低噪声:1.65dB典型值

● 小信号增益:16dB典型值

● 输出P1dB:13dBm典型值

● 输出IP3:24dBm典型值

● 芯片尺寸:4mm*4mm

典型应用

● 点对点通信

● 点对多点通信

● 仪器仪表

资料下载

XL1413SP4 低噪声宽带放大器

888集团低噪声放大器产品推荐

型号

描述

频段(GHz)

增益
(dB)

P1dB
(dBm)

IP3
(dBm)

噪声
(dB)

Vs
(V)

Is
(mA)

工作温度
(℃)

封装

HXTA3036T89
点击了解详情

宽带低噪放

0.01-3

20

18.5

32

1.0~1.2

5

50

-40~85

SOT89
QFN-16L

XL3079T89
点击了解详情

宽带低噪放

0.01-10

15

18.5

28

2.1

5

65

-40~85

SOT89
QFN-6

XL0421T89
点击了解详情

宽带低噪放

0.03-4

16

21

30

2.3

5

105

-55~85

SOT89

HXTA0619SP2B
点击了解详情

宽带低噪放

0.6-6

22.5

19.5

36

0.6(0.6-4.2G)
0.7(4.2-6G)

5

65

-40~85

SOT89
QFN-8

XL0821SP2
点击了解详情

宽带低噪放

0.01-8

19

20.5

34

1.4

5

65

-40~85

2×2
QFN-6L

XL1815SP3
点击了解详情

宽带低噪放

6-18

18

15

25

1.7

3.5

75

-40~85

3×3
QFN-16L

XL1413SP4
点击了解详情

宽带低噪放

7-14

16

13

24

1.65

3

82

-40~85

4×4
QFN-24L


在线客服
联系方式

热线电话

18211123301

上班时间

周一到周五

公司电话

010-82433257

二维码
线
http://w1011.ttkefu.com/k/linkurl?t=6J9EFD0
网站地图