XL331SP3B是一款通用型无源混频器,采用GaAs工艺制造。该器件为无源器件,无需偏置、外部元件或匹配电路。可用作频率1.5GHz至4.5GHz的上变频器 或下变频器。
XL331SP3B是一款通用型无源混频器,采用GaAs工艺制造。该器件为无源器件,无需偏置、外部元件或匹配电路。可用作频率1.5GHz至4.5GHz的上变频器 或下变频器。
● 变频损耗: 7.5dB
● LO至RF隔离: 56dB
● LO至IF隔离: 37dB
● 无源双平衡拓扑结构
● 宽IF带宽: DC~1.5GHz
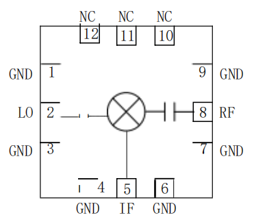
● 封装尺寸: 3*3 QFN-12L
● 点对点通讯
● 无线电
● 基站

参数名称 | 描述 | 最小值 | 典型值 | 最大值 | 单位 |
射频频率 | RF、L0端口 | 1.5~4.5 | GHz | ||
中频频率 | IF端口 | DC~1.5 | GHz | ||
本振功率范围 |
| 11 | 13 | 15 | dBm |
下变频 | |||||
变频损耗 |
|
| 7.5 |
| dB |
输入1dB压缩点 |
|
| 12 |
| dBm |
输入IP3 |
|
| 21 |
| dBm |
隔离度 | L0到RF端口 |
| 56 |
| dB |
L0到IF端口 |
| 37 |
| dB | |
RF到IF端口 |
| 19 |
| dB | |
上变频 | |||||
变频损耗 |
|
| 7.5 |
| dB |
输入1dB压缩点 |
|
| 11 |
| dBm |
输入IP3 |
|
| 15 |
| dBm |
型号 | 描述 | 频段(GHz) | 损耗(dB) | LO-RF | LO-IF | IF带宽 | 输入IP2 | 输入IP3 | 工作温度 | 封装 | 兼容 |
双平衡混频器 | 2.5~8 | 8.5 | 48 | 25 | DC-3 | 45 | 25 | -40~85 | 3×3 | HMC218B | |
双平衡混频器 | 2.5~8 | 8.5 | 45 | 30 | DC-3 | 43 | 23 | -40~85 | 4×4 | HMC218B | |
双平衡混频器 | 9~16 | 8.5 | 40 | 33 | DC-8 | 48 | 24 | -40~85 | 3×3 | HMC554LC3B | |
双平衡混频器 | 0.5~2.0 | 8 | 55 | 44 | DC~1.0 | 60 | 19 | -40~85 | 3×3 | — | |
无源混频器 | 1.5~4.5 | 7.5 | 56 | 37 | DC~1.5 | — | 15 | -40~85 | 3×3 | — |